Gambar Blok Diagram Mikrokontroler

Oct 13, 2020

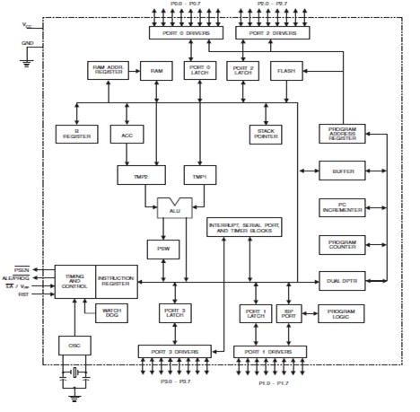
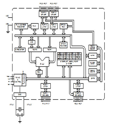
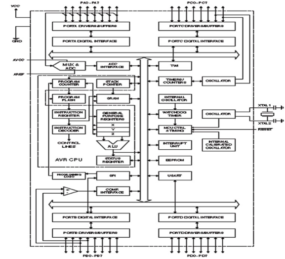
Proud To Be Engineer: Pengenalan Mikrokontroler Pengenalan Mikrokontroler kaka: MIKROKONTROLER Mikrokontroler 8051 - Mikrokontroler - ndoWare Jenis-jenis mikrokontroler – teknik komputer jaringan Pengembangan Mikrokontroler | TN Mikro CATATAN JALAL: BELAJAR SENDIRI MIKROKONTROLER LENGKAP (Volume 1) Indahnya Mikrokontroler dan Mikroprosesor (Plus Praktikum) | MENUJU TRIDARMA YANG BERKUALITAS Mikrokontroller AT89C51 (Arsitektur dan Fungsi PIN) - KajianPustaka.com Perancangan Mikrokontroler 8051 | Maya Kurniawati Mikrokontroller AT89C51 (Arsitektur dan Fungsi PIN) - KajianPustaka.com Improve your mind becomes more advanced: Bagian-bagian Mikrokontroler, Fungsi dan Istilah didalamnya Blok diagram umum mikrokontroler adalah sebagai berikut: - PDF Free Download BAB II TINJAUAN PUSTAKA 2.1. Mikrokontroller 2.1.1. Pengertian Mikrokontroller Saat ini perkembangan teknologi semakin pesat be Irma Tri Anjaswati Pengertian Mikrokontroler (Microcontroller) dan Strukturnya Jenis-jenis mikrokontroler – teknik komputer jaringan irvanzzzzsss: Blok Diagram Mikrokontroler AT89S52 Beserta Penjelasannya ARSITEKTUR AVR Oleh : SGO. - ppt download Gambar 7. Blok Diagram Sistem Kerja Load cell pada alat penyortir buah… | Download Scientific Diagram PERBEDAAN MIKROKONTROLER DAN MIKROPROSESOR | Lab Fakultas Ilmu Terapan Rangkaian keseluruhan Sistem mikrokontroler Arduino Uno ATmega 328 | Download Scientific Diagram Perbedaan mikrokontroler dan mikroprosesor DIAGRAM] Blok Diagram Ic Mikroprosesor FULL Version HD Quality Ic Mikroprosesor - WEFREECHAT.BLIDETOINE.FR PINTU AIR OTOMATIS PADA WADUK BERBASIS MIKROKONTROLER ATMEGA ppt download K14. mikrokontroler Tentang Mikrokontroler ATMega8535 – Npx21 Mengenal Microcontroller | Ear’s Blok Diagram Mikrokontroller Sistem ini menggunakan Gambar 1. blok diagram secara umum Pada sistem ini, untuk melakukan… | Download Scientific Diagram Tugas Ppt Arsitektur Mikrokontroler Pengenalan Mikrokontroler Sistem Komputer (Mikrokontroler) Membuat Robot Line Follower Dengan AVR ATMega8535 Mikrokontroler - Pengertian, Jenis, Fungsi, Bedanya Dengan Mikroprosesor ~ Studi Elektronika Membuat Robot Line Follower dengan Mikrokontroler | fahmizal_note blok diagram kunci otomatis dg sms - ndoWare Gambar 1. Diagram blok hubungan perangkat keras dan perangkat lunak… | Download Scientific Diagram MODUL PEMBELAJARAN I viewGambar 1.1. Blok Diagram Mikrokontroler Masing-masing bagian tersebut saling dihubungkan melalui internal BUS, umumnya terdiri dari 3 jenis bus, yaitu: address - [DOC Document] DIAGRAM] Blok Diagram Ic Mikroprosesor FULL Version HD Quality Ic Mikroprosesor - WEFREECHAT.BLIDETOINE.FR Mikrokontroler AVR ATMega 8535 – tkrakitan1411890 ATmega16 Pin Diagram | ATmega16 Block Diagram & Description Dasar Mikrokontroler #Hal2 - Wuanjrot Bray BAB 3 PERANCANGAN DAN PEMBUATAN 3.1. Diagram Blok Pengguna:Chandra gunawan - widuri BAB II TINJAUAN PUSTAKA 2.1 Mikrokontroler AVR ATMEGA16 Mikrokontroler adalah sebuah sistem microposesor di mana di dalamnya s Mikrokontroler ATmega8535 | Yusrizal_Andeslubs Weblog Timer/Counter 1 Mikrokontroler AVR ATMEGA32 ~ Robotika UNS Pengenalan Mikrokontroler: Gambar: Blok Diagram Mikrokontroler BAB III METODE PENELITIAN 3.1. Blok Diagram fasrbob - Blog Tugas mandiri sistem mikroprosesor Teknik Informatika: Arsitektur Atmega16 DAFTAR GAMBAR Gambar 1. Blok diagram alat deteksi deteksi air tercemar logam… | Download Scientific Diagram Diagram Blok Komputer | Clinik Computer SISTEM KONTROL ROBOT – nadahabibi Jenis-jenis mikrokontroler – teknik komputer jaringan PDF) Gambar 2.1 Blok Diagram PID Controller | andreas manaor - Academia.edu Blok Diagram Teknik Kontrol Analog Ajat Didik Budiansyah CCIT004 | Submission CCIT Mikrokontroler ATMega328 – Elektronika Komputer SI1133468081 - widuri BAB 3 PERANCANGAN DAN PEMBUATAN ALAT 3.1 Blok Diagram SISTEM KENDALI INTENSITAS CAHAYA BERBASIS MIKROKONTROLER DENGAN DRIVE… RANCANG BANGUN ALAT PEMBELAJARAN MICROCONTROLLER BERBASIS ATMEGA 328 DI UNIVERSITAS SERANG RAYA Sistim Pengendalian: SISTEM KENDALI ANALOG dan DIGITAL DIAGRAM] Wiring Diagram Lampu Riting FULL Version HD Quality Lampu Riting - ABSOLUTEWIRING.FABRICELEFEVREINSTITUT.FR Pengenalan Mikrokontroler Perbedaan Mikroprosesor Dan Mikrokontroler | Kelas PLC Mengenal Mikrokontroler AVR Mega - Robotics University vi DAFTAR GAMBAR Gambar 2.1 Blok Diagram Komunikasi Sederhana……………………………………………… 6 Gambar 2.2 Gambar 1 Diagram blok sistem electronic nose | Download Scientific Diagram Mengenal Mikrokontroler - Henduino Library Mikrokontroler - Pengertian, Jenis, Fungsi, Bedanya Dengan Mikroprosesor ~ Studi Elektronika gambar diagram blok radio straight 1 transistor dan bagian nya - Brainly.co.id Monitoring Suhu 4 Sensor dengan Mikrokontroler & Komputer – inkubator-teknologi.com ATmega16 Pin Diagram | ATmega16 Block Diagram & Description CATATAN JALAL: BELAJAR SENDIRI MIKROKONTROLER LENGKAP (Volume 1) BAB III METODE PENELITIAN 3.1 Model .dijelaskan oleh blok diagram pada Gambar 3.2 dan bagian analisis - [PDF Document] PDF) DETEKTOR SUHU DENGAN MIKROKONTROLLER AT89S51 | sigitrahmans G. - Academia.edu PROTOTYPE WASTAFEL OTOMATIS BERBASIS MIKROKONTROLER AT89S51 - PDF Download Gratis PERBEDAAN MIKROKONTROLER DENGAN MIKROPROSESOR (BAGIAN 1) – LogicGates Mikrokontroler, Mikroprosesor, dan Mikrokomputer - Zalfa Technology PENGENDALI PINTU GERBANG DAN PINTU GARASI OTOMATIS BERBASIS MIKROKONTROLER ATMEGA16 JURNAL Disusun Untuk Memenuhi Syarat Menyele Blok Diagram op-Amp - Samrasyid DIAGRAM] Blok Diagram Infant Warmer FULL Version HD Quality Infant Warmer - WIRING-DIAGRAMS.LOVECON.FR Tentang Mikrokontroler ATMega8535 – Npx21 Perbedaan Mikrokontroler dan Mikroprosesor Mengenal Mikrokontroler AVR Mega - Robotics University MIKROPROSESOR DAN MIKROKONTROLER - ppt download SI1733499446 - widuri Prinsip Kerja Engine Control Unit (ECU) Arsitektur mikroprosesor BAB III SISTEM KERJA RANGKAIAN 3.1 Diagram Kuliah Perancangan Sistem Embedded | Situs Sekolah Teknik Elektro dan Informatika Pengenalan Mikrokontroler: Gambar: Blok Diagram Mikrokontroler 3.1. Gambaran Sistem - ?· Pada Gambar 3.1 menunjukan blok diagram sistem dari … Sistem kerja pemanas… Rolly Mini Robot Avoider - BB Robot Indonesia Aplikasi Alarm Anti Maling Berbasis Mikrokontroler AT Mega 8535

Gambar Gaara Terbaru

Teknik Gambar Blok