Ukuran Gambar Teknik Otomotif Adalah Ditentukan Berdasarkan

Oct 12, 2020

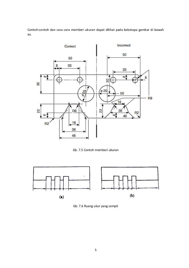
MODUL MATERI 1 GAMBAR TEKNIK UNTUK SMK | OTOMOTIF ZONE MODUL MATERI 1 GAMBAR TEKNIK UNTUK SMK | OTOMOTIF ZONE ATURAN DAN CARA MEMBERI UKURAN GAMBAR Etiket Gambar Teknik ~ Guru Listrik Keren ATURAN DAN CARA MEMBERI UKURAN GAMBAR Bab 5- gambar-teknik CARA DAN ATURAN PEMBERIAN UKURAN GAMBAR TEKNIK ATURAN DAN CARA MEMBERI UKURAN GAMBAR UKURAN/DIMENSI PADA GAMBAR TEKNIK - Guru Teknik Mesin <ins class='adsbygoogle’ data-ad-client='ca-pub-6896878748074898’ data-ad-slot='5967634096’ style … CARA DAN ATURAN PEMBERIAN UKURAN GAMBAR TEKNIK UKURAN KERTAS GAMBAR PADA GAMBAR TEKNIK - Guru Teknik Mesin <ins class='adsbygoogle’ data-ad-client='ca-pub-6896878748074898’ data-ad-slot='5967634096 … Belajar Gambar Teknik bagian 1 (How Learn Engineering Drawing (part 1) — Steemit ATURAN DAN CARA MEMBERI UKURAN GAMBAR Praktikum AutoCAD - STUDIO MENGGAMBAR MESIN & CAD - TEKNIK MESIN - FTI - UNIVERSITAS TRISAKTI CARA DAN ATURAN PEMBERIAN UKURAN GAMBAR TEKNIK GAMBAR TEKNIK OTOMOTIF GAMBAR TEKNIK Modul Gambar Teknik x tbsm 1ST Peralatan Dan Kelengkapan Gambar Teknik - [DOCX Document] Bab 5 Memahami Gambar Teknik A. Mengenal Alat Menggambar Teknik 1. Kertas Gambar a) Jenis Kertas Belajar Gambar Teknik bagian 1 (How Learn Engineering Drawing (part 1) — Steemit Praktikum AutoCAD - STUDIO MENGGAMBAR MESIN & CAD - TEKNIK MESIN - FTI - UNIVERSITAS TRISAKTI apa fungsi etiket gambar - Brainly.co.id PDF) Modul Menginterpretasikan Gambar Teknik | Rahmad Koel - Academia.edu GAMBAR TEKNIK OTOMOTIF Gambar Teknik Otomotif Menggambar Mesin « Catatan KeciL CARA DAN ATURAN PEMBERIAN UKURAN GAMBAR TEKNIK Pemberian Ukuran Yang Tepat Pada Gambar Teknik – gudang otomotif Peralatan Gambar Gambar Teknik Bagian 2 Widian Harindito, ST - ppt download GAMBAR TEKNIK & PENGUKURAN - PDF Download Gratis Penunjukkan Ukuran | Catatan Indah Sebuah Pena DOC) Materi gambar teknik.docx | Pras Setiya - Academia.edu Kb 3 Membaca Gambar Teknik Praktikum AutoCAD - STUDIO MENGGAMBAR MESIN & CAD - TEKNIK MESIN - FTI - UNIVERSITAS TRISAKTI Etiket Gambar Teknik atau Kepala Gambar (Fungsi, Komponen, dan Cara Membuat) - Sekolah Kami Pemberian Ukuran Yang Tepat Pada Gambar Teknik – gudang otomotif Makalah Tugas Gambar Teknik Otomotif APA ITU GAMBAR TEKNIK ? GAMBAR TEKNIK OTOMOTIF - PDF Download Gratis GAMBAR TEKNIK OTOMOTIF ATURAN DAN CARA MEMBERI UKURAN GAMBAR Praktikum AutoCAD - STUDIO MENGGAMBAR MESIN & CAD - TEKNIK MESIN - FTI - UNIVERSITAS TRISAKTI APA ITU GAMBAR TEKNIK ? Tips Membaca Ukuran Pada Baut RPP Gambar Teknik Otomotif 3.1-4.1_Pertemuan 1-2 Ganjil.docx - RENCANA PELAKSANAAN PEMBELAJARAN A Identitas Program Pendidikan meliputi Nama Sekolah | Course Hero CARA DAN ATURAN PEMBERIAN UKURAN GAMBAR TEKNIK Penggaris Segitiga, Macam, Ukuran, dan Fungsi - Penulis Cilik Berdasarkan jenis kertasnya, kertas gambar yang dapat kita gunakan untuk menggambar teknik adalah - PDF Free Download GAMBAR TEKNIK OTOMOTIF Pemberian Ukuran Yang Tepat Pada Gambar Teknik – gudang otomotif Praktikum Menggambar Mesin 1 - STUDIO MENGGAMBAR MESIN & CAD - TEKNIK MESIN - FTI - UNIVERSITAS TRISAKTI GTO Kelas x | Other Quiz - Quizizz Cara Menghitung Volume Langkah Piston dan Perbandingan Kompresi | teknik- otomotif.com Gambar Teknik_(6. Penunjukan Ukuran) UKURAN/DIMENSI PADA GAMBAR TEKNIK - Guru Teknik Mesin <ins class='adsbygoogle’ data-ad-client='ca-pub-6896878748074898’ data-ad-slot='5967634096’ style … MODUL MATERI 1 GAMBAR TEKNIK UNTUK SMK | OTOMOTIF ZONE Belajar Gambar Teknik bagian 1 (How Learn Engineering Drawing (part 1) — Steemit ATURAN DAN CARA MEMBERI UKURAN GAMBAR Praktikum Menggambar Mesin 1 - STUDIO MENGGAMBAR MESIN & CAD - TEKNIK MESIN - FTI - UNIVERSITAS TRISAKTI 54d33e96d8985 (1).doc - Gambar Teknik untuk SMK Proyeksi Potongan dan Pemberian Ukuran K3 PROYEKSI Tujuan Pembelajaran Siswa dapat mengetahui | Course Hero GAMBAR TEKNIK OTOMOTIF Fungsi blocking dalam otomotif - Brainly.co.id MEMAHAMI GAMBAR TEKNIK -5.4 – CV. Jaya Presisi Engineering Tugas Gambar Teknik Otomotif kelas X.docx GAMBAR TEKNIK OTOMOTIF - PDF Download Gratis CARA DAN ATURAN PEMBERIAN UKURAN GAMBAR TEKNIK DOC) LAPORAN TUGAS AKHIR PRAKTIKUM GAMBAR TEKNIK | meta pebrianti - Academia.edu Kb 3. Membaca gambar Teknik APA ITU GAMBAR TEKNIK ? Praktikum AutoCAD - STUDIO MENGGAMBAR MESIN & CAD - TEKNIK MESIN - FTI - UNIVERSITAS TRISAKTI Kelas 12 SMK Gambar Teknik Mesin 1 Toleransi Gambar Teknik - Cah Bantul Etiket Gambar Teknik atau Kepala Gambar (Fungsi, Komponen, dan Cara Membuat) - Sekolah Kami Pemberian Ukuran Yang Tepat Pada Gambar Teknik – gudang otomotif Dasar Perancangan Teknik Industri - ppt download GAMBAR TEKNIK OTOMOTIF Teknologi Dasar Otomotif Pages 201 - 250 - Text Version | FlipHTML5 Peralatan Dan Kelengkapan Gambar Teknik Teknik Otomotif - Panitia Sertifikasi Guru Rayon 115 Pemeriksaan Rem Cakram | teknik-otomotif.com BAHAN AJAR MENGGAMBAR TEKNIK KODE : - PDF Free Download Toleransi Gambar Teknik - Cah Bantul CARA DAN ATURAN PEMBERIAN UKURAN GAMBAR TEKNIK UKURAN/DIMENSI PADA GAMBAR TEKNIK - Guru Teknik Mesin <ins class='adsbygoogle’ data-ad-client='ca-pub-6896878748074898’ data-ad-slot='5967634096’ style … PDF) PARTISIPASI INDUSTRI OTOMOTIF DALAM MENJALIN KERJASAMA DENGAN SEKOLAH MENENGAH KEJURUAN (SMK) PROGRAM KEAHLIAN TEKNIK KENDARAAN RINGAN DI DAERAH ISTIMEWA YOGYAKARTA Menggambar teknik PENERAPAN PEMBELAJARAN AUTOCAD 2008 PADA MATA PELAJARAN GAMBAR TEKNIK OTOMOTIF DASAR (GTOD) UNTUK MENINGKATKAN PRESTASI SISWA PDTO 1 Pages 101 - 150 - Text Version | FlipHTML5 7 Susunan Pada kertas Gambar Teknik - MAS TONO Jual BAN DALAM IRC 70/90-14 dan 80/80-14 (Ban dalam motor matic ukuran dep - Kota Depok - 99 BAN | Tokopedia Penunjukkan Ukuran | Catatan Indah Sebuah Pena GAMBAR TEKNIK OTOMOTIF PERANCANGAN DAN IMPROVEMENT KUNCI SOCKET UNTUK MUR/PENGUNCI BEARING TRANSMISI OTOMATIS PADA NISSAN MARCH DI PT WAHANA SUMBER BAR RPP Gambar Teknik Otomotif 3.1-4.1_Pertemuan 1-2 Ganjil.docx - RENCANA PELAKSANAAN PEMBELAJARAN A Identitas Program Pendidikan meliputi Nama Sekolah | Course Hero GAMBAR TEKNIK OTOMOTIF - PDF Download Gratis Unik! Teknik Mengukur Mr. P dengan Roll Tisu Kenali Jenis Penggaris Berdasarkan Bentuk, Ukuran, Material, dan Fungsi Penggunaan | Importir Produk China DOC) PANDANGAN DAN POTONGAN | Apriliene Sidabutar - Academia.edu Kaidah Tangan Kiri Fleming, Ulir Kanan dan Ibu Jari Kanan | teknik-otomotif .com

Fungsi Toleransi Gambar Teknik

Pengertian Gambar Teknik Listrik