Gambar Instalasi Listrik 3 Phase

Oct 13, 2020

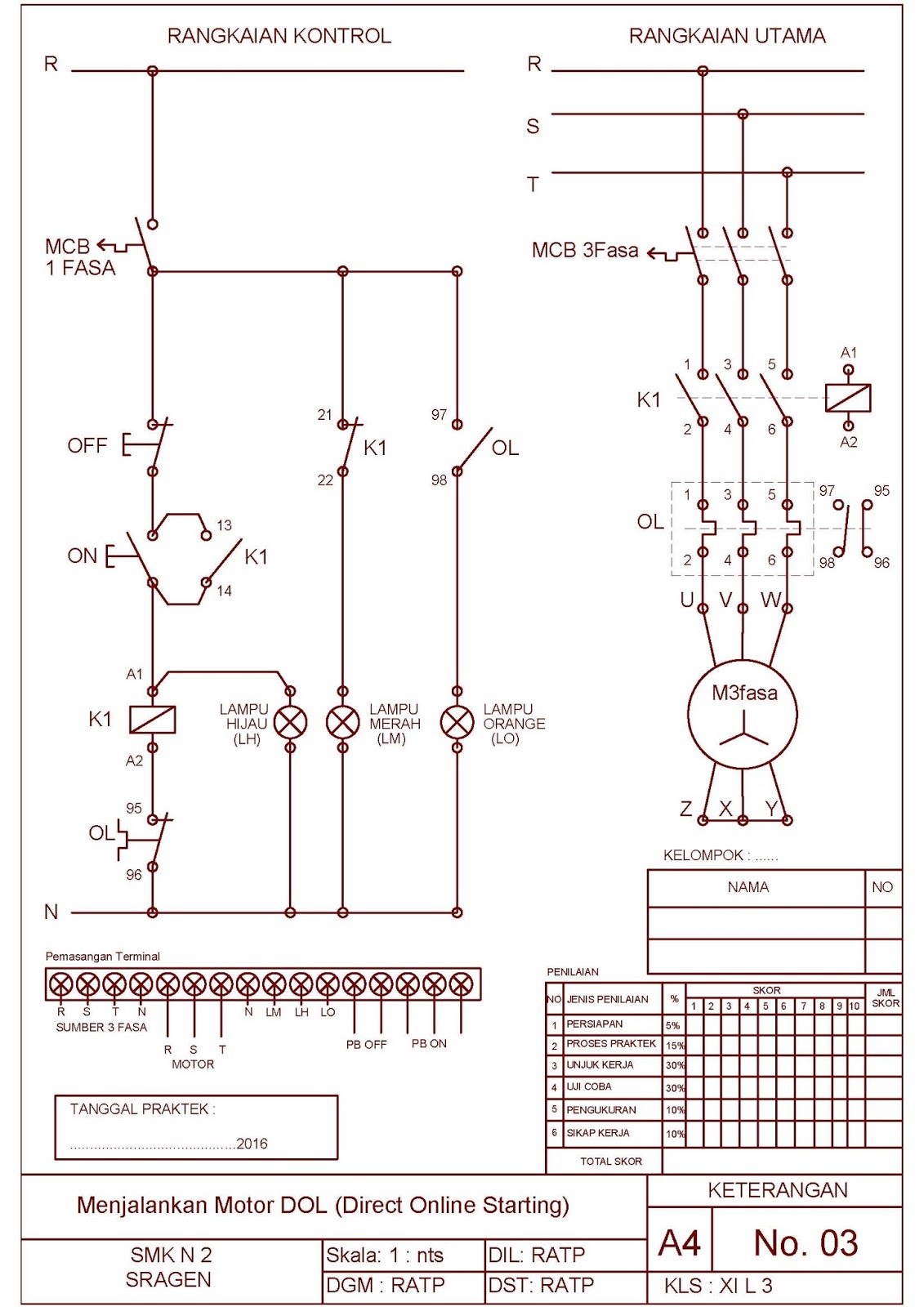
Instalasi Listrik 3 Phase Dan… - Jasa instalasi listrik purwojati wa 088215492959 | Facebook Perencanaan Instalasi Listrik 3 Phase | KataMandor.Com Instalasi Listrik 3 Phase dan Perencanaannya disertai Gambar Ilustrasi Instalasi panel Listrik 3 Phase - YouTube Cara Memasang Panel Listrik 3 Phase (Kwh Meter) | Borisinil instalasi listrik 3 phase - YouTube Fumida Elektrik » Instalasi Listrik 3 Phase Merakit sendiri Pemindah Otomatis PLN ke Genset Listrik 3 Phase - Tempat kita berbagi ilmu Pembuatan Panel 1 Phase & 3 Phase. Dan Jasa Instalasi Listrik Rumah. - Home | Facebook 3 phase | KataMandor.Com Rangkaian sederhana panel listrik 3 phase || simple circuit in a 3 phase electrical panel - YouTube Panel Listrik 3 Phase – Download tabel baja Sistem Listrik 3 Phase | ILMU LISTRIK contoh soal hasil kali skalar dua vektor: Instalasi Listrik 2 Phase Perencanaan Instalasi Listrik Rumah Bertingkat Dua Lantai | egsean.com DIAGRAM] Wiring Diagram Instalasi Listrik 3 Phase FULL Version HD Quality 3 Phase - RIZE-SUSPENSION.PORTOGRUARONLINE.IT Instalatir Listrik | Facebook Cara Memasang MCB 3 Fasa (instalasi panel listrik 3 phase) | Gambar Skema Rangkaian Elektronika Jual Produk Panel Instalasi Listrik 3 Phase Murah dan Terlengkap Oktober 2020 | Bukalapak INSTALASI STABILIZER Mengenal Sistem 3-Phase pada Instalasi Listrik Jual Produk Panel Instalasi Listrik 3 Phase Murah dan Terlengkap Oktober 2020 | Bukalapak Perencanaan Instalasi Listrik 3 Phase untuk Industri anam: INSTALASI LISTRIK 1 PHASE : DEFINISI, FUNGSI & CARA PEMASANGAN Rangkaian Panel Listrik 3 Phase (Pengertian, Fungsi, dan Cara Pasang) – Anto Tunggal Instalasi Listrik Rumah for Android - APK Download Layanan Prima Teknik DIAGRAM] Wiring Diagram Instalasi Listrik 3 Phase FULL Version HD Quality 3 Phase - RIZE-SUSPENSION.PORTOGRUARONLINE.IT Panel listrik 3 phase - YouTube Mengapa Ada Sistem 3 Phase Pengertian Listrik 1 Phase dan 3 Phase IPL KD 3.9-4.9 | Education Quiz - Quizizz Beda Listrik 1 Phase dan 3 Phase, Fungsi dan Kegunaannya Dinas Energi dan Sumber Daya Mineral Provinsi Banten | SELAYANG PANDANG LISTRIK 3 FASE Memahami Sistem 3 Phase dalam Kelistrikan – Amanitekno Instalasi Listik Yang Benar | Instalasi Listrik [DIAGRAM in Pictures Database] Wiring Diagram Listrik 3 Phase Just Download or Read 3 Phase - DIAGRAM-FLOWCHART.ONYXUM.COM Rangkaian sederhana panel listrik 3 phase || simple circuit in a 3 phase electrical panel - YouTube Pembuatan Panel listrik 1/3 Phase Untuk Rumah, toko, Ruko, Rumah Sakit, Pabrik, Dll | Shopee Indonesia Jasa pembuatan perakitan Panel Listrik medan | Panel maker medan | pemasangan panel surya medan: Maret 2016 TUKANG LISTRIK PANGGIL - JAYA TECHNIC ELECTRICAL Cara Memasang Panel Listrik 3 Phase | Kata - Kutuku denah instalasi listrik - perlengkapa listrik/ Panel Listrik 3 Phase kapasitas 53 Kva | Shopee Indonesia Memahami Sistem 3 Phase dalam Kelistrikan – Amanitekno Cara Menghitung Daya Listrik 3 Phase dan 1 Phase dan Contoh Rangkaian Star Delta Motor Listrik 3 Fasa - Listrik-Praktis panel instalasi listrik 3phase di Lapak ahmad zamroni | Bukalapak Mengenal Sistem 3-Phase pada Instalasi Listrik Job Sheet Praktek Instalasi Motor Listrik tema : Menjalankan Motor 3 fasa secara Direct Online Starting (DOL) ~ Blog edukasi DIAGRAM] Wiring Diagram Instalasi FULL Version HD Quality Diagram Instalasi - 21085.ACCNET.FR Rumus Daya Listrik Arus Bolak Balik (AC) 1 Phase dan 3 Phase Rab Instalasi Listrik PANEL LISTRIK 3 PHASE | instalasi-lampung Pemasangan Listrik - Cari Jasa Jasa Lainnya Terbaru di Indonesia - OLX.co.id Job Sheet Praktek Instalasi Motor Listrik tema : Membalik Putaran Motor Listrik 3 fasa ~ Blog edukasi DIAGRAM] Wiring Diagram Listrik FULL Version HD Quality Diagram Listrik - WIRINGYFACTORY.LOVECON.FR Jasa Instalasi Listrik Di Batam CARA SEDERHANA PASANG ELCB PADA PANEL LISTRIK 3 PHASE||PENDETEKSI ARUS LISTRIK BOCOR DAN TERSENGAT - YouTube Komponen-komponen untuk Instalasi Penerangan Bangunan | egsean.com Perbedaan Listrik 1 Phase dan 3 Phase - Jagoan Listrik Cara Memasang Kabel Handel Pemindah Listrik 3 Phase - Tempat kita berbagi ilmu DIAGRAM] Wiring Diagram Instalasi Listrik 3 Phase FULL Version HD Quality 3 Phase - RIZE-SUSPENSION.PORTOGRUARONLINE.IT Instalasi motor 3 fasa Skema Sambungan Antar Kabel | Listrik di Rumah Pemasangan Atau Instalasi Stabilizer Yoritsu - Pabrik Stabilizer Trafo | hexta.co.id Harga Panel Listrik,Harga Panel Listrik 3 Phase,Harga Panel Listrik LVMDP,Harga Panel Listri… | Motor listrik, Motor, dan Tempat DIAGRAM] Wiring Diagram Instalasi FULL Version HD Quality Diagram Instalasi - 21085.ACCNET.FR Warna Kabel Instalasi Listrik ~ Ruang Server Anda Sistem Listrik 3-Phase.pdf Menggambar listrik Instalasi Jaringan Listrik | Electricity DIAGRAM] Wiring Diagram Motor 3 Fasa FULL Version HD Quality 3 Fasa - REWIRINGHULL.LITTLETEO.FR Jual Panel Listrik 3 Phase Murah - Harga Terbaru 2020 Tlp: 0812–5391–5508, Jasa Instlasi listrik | by jeje TA | Medium Alat Peraga Instalasi Listrik | Mealabs Scientific Indonesia Jasa instalasi listrik purwojati wa 088215492959 - Posts | Facebook Distributor Panel Listrik Medan Memasang Motor 3 Phase di lokasi dengan sumber tegangan listrik 1 phase | | Blog CV Carmel Hill Machinery DESAIN INSTALASI LISTRIK DAN MEKANIKAL UNTUK RUMAH SAKIT PRATAMA SINTANG KALIMANTAN BARAT Pengertian Listrik 1 Phase 2 Phase dan 3 phase - Kang Jepot Instalasi listrik perumahan - Jasa - 799348847 11+ Gambar Instalasi Listrik Rumah 3 Phase PROPOSAL INSTALASI PERUMAHAN. MERANCANG INSTALASI LISTRIK BANGUNAN SEDERHANA (Rumah Tinggal, Sekolah dan Rumah Ibadah) - PDF Download Gratis Belajar Komponen Panel Listrik Lengkap 2019 praktikum instalasilistrik fakultas teknik jurusan teknik elektro Jual Produk Panel Listrik 3phase 266 Produk Mulai Dari 770rb Oktober 2020 | Bukalapak Jasa Perakitan Panel Listrik Denpasar Bali 082339628128 DIAGRAM] Wiring Diagram Listrik FULL Version HD Quality Diagram Listrik - WIRINGYFACTORY.LOVECON.FR PPSDM KEBTKE KESDM Twitter: “PPSDM KEBTKE selenggarakan Pelatihan “Instalasi Listrik 3 Fasa Bangunan Gedung” yang dilaksanakan pada tanggal 23 sd 24 Juli 2020, jumlah peserta 35 orang yang terdiri dari Aparatur Instalasi Listrik Rumah dengan Memahami Wiring Diagram - Listrik-Praktis 102 PERANCANGAN INSTALASI LISTRIK PADA RUMAH TOKO TIGA LANTAI DENGAN DAYA 12 KW Oleh: Joslen Sinaga Universitas Darma Agung, Me Pengendalian Motor Listrik 3 Phasa dengan Star Delta pada Otomasi Industri - Jago Otomasi DOC) INSTALASI 1 UNIT PHB 3 FASA, 1 UNIT MOTOR LISTRIK, 1 UNIT PHB STAR DELTA DAN 2 BUAH STOP KONTAK 3 FASA Tugas Perencanaan | Kurnia Rivaldo - Academia.edu PEMBUATAN TRAINER INSTALASI MOTOR 3 PHASE Lingkup Pekerjaan Instalasi Listrik Gedung | egsean.com Keluaran Listrik 3 Phase Dari Generator LKPD.docx Instalasi listrik 1phase & 3phase » Pembuatan panel listrik (SDP/MDP) • Service AC,listrik,mesin cuci,pompa panel listrik dll. Daerah Pontianak dan sekitarnya Instalasi motor 3 fasa

Gambar Daun Pisang Kartun

Gambar Pekerjaan Pedagang