Xl4015 Cc Cv Schematic

Oct 10, 2020

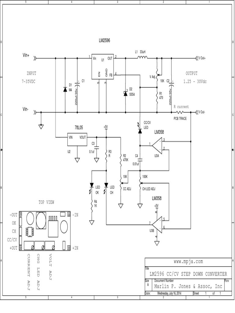
XL4015 Step-Down DC Module with CV/CC Control XL4015 Step-Down DC Module with CV/CC Control XL4015 Step-Down DC Module with CV/CC Control XL4015 Step-Down DC Module with CV/CC Control CC/CC Buck Schematic (Circuit Help) - Electrical Engineering Stack Exchange XL4015 Step-Down DC Module with CV/CC Control XL4015 Step-Down DC Module with CV/CC Control XL4005 5A CC, CV step down converter XL4015 Power Supply Module Cheap Chinese DC-DC CC CV Buck Power Supply Pulsregler auf dem Chip XL4015 - YouTube How to design a simple constant current/constant voltage buck converter - Power management - Technical articles - TI E2E support forums Cc Cv Regulator Schematic | Electronic Engineering | Electrical Engineering Switching regulator on-chip XL4015 – Meander – entertaining electronics Lm2596 Dc Dc Step Down Schematics - PCB Designs XL4015 DC-DC Step Down Buck Converter | Variable Adjustable Power Supply Using XL4015 - YouTube Onstate #84: XL4015 5A CC CV DC lithium battery charging step-down buck converter module testing. - YouTube Google+ | Circuitos Adding CC to a CV buck to make it CC/CV CC/CV Power Supply | Trybotics Onstate #83: XL4015 5A CC CV charger buck converter module testing #2. CC mode stability. - YouTube LM2596 LED Driver DC-DC Step-down Adjustable CC/CV Power Supply Module – Infinite Store XL4015 Step-Down DC Module with CV/CC Control REES52 5A DC to DC CC-CV Lithium Battery Step Down Charging Board LED Power Converter Lithium Charger Step Down Module XL4015: Amazon.in: Industrial & Scientific XL4015 Power Supply Module 5A DC DC CC CV Buck Step down Adjustable Lithium Battery Charger Board DC DC Step Down Power Supply XL4015 8 36V to 1.25 32V DIY| | - AliExpress Portable NiCd Battery Charger Circuit 5A 75W XL4015 CC CV DC-DC LITHIUM BATTERY CHARGER STEP-DOWN MODULE | Power supply circuit, Lithium battery charger, Electronic schematics XL4015 Step-Down DC Module with CV/CC Control 5A DC to DC CC CV Lithium Battery Step down Charging Board Led Power Converter Lithium Charger Step Down Module XL4015|Integrated Circuits| - AliExpress 5A Constant Current Constant Voltage CC CV LED Drive Lithium Charger Power Step-down Module with XL4015 DC DC Step Down Power Supply 5V 12V Buck Converter Voltage Regulator for Lithium Battery Charger Power Bank LED Driver|down transformer|supply transformerstep down transformer - AliExpress LM338 12V Power Supply Circuit a digital programmable power supply - design sketch : AskElectronics Development of Super-capacitor Battery Charger System based on Photovoltaic Module for Agricultural Electric Carriers 0.1V to 50V Variable Power Supply 5A 75W XL4015 DC DC Converter Adjustable Step Down Module 4.0 38V to 1.25V 36V DIY Adjustable Power Supply|power module|power supply modulecan module - AliExpress How to design a simple constant current/constant voltage buck converter - Power management - Technical articles - TI E2E support forums CC/CV Power Supply : 6 Steps (with Pictures) - Instructables How to design a simple constant current/constant voltage buck converter - Power management - Technical articles - TI E2E support forums The “Eierlegendewollmilchsau” Single Supply Circuit Schematic Diagram Diagram Base Website Schematic Diagram - ONTODIAGRAM.ALTJ.FR XL4015 DC to DC 1.25 to 32V 5A Buck Converter Lithium Constant Current charger - YouTube High Efficiency! CC/CV 5A Lithium Charger Board XL4015 Adjustable 6 38V To 1.25 36V DC Step Down Power Supply Buck Module|lithium charger|dc dcboard charger - AliExpress Original XL4015 E1 5A DC to DC CC CV Lithium Battery Step down Charging Board Led Power Converter Lithium Charger Mo… | Power converters, Lithium battery, Converter Onstate #85: XL4015 MPPT 5A CC CV solar controller charger step-down buck converter module testing - YouTube XL4015 Step-Down DC Module with CV/CC Control LTC4412 charger issue | Electronics Forum (Circuits, Projects and Microcontrollers) XL4015 DC-DC Step Down Buck Converter | Variable Adjustable Power Supply Using XL4015 - YouTube Lead-Acid Battery Charger Circuit 10, 12, 14, 15, 16V DC to 18, 22, 26, 28, 30V DC Converter Circuit Audio Processor Circuit Zener Diode Tester Circuit a digital programmable power supply - design sketch : AskElectronics Onstate 262:XL4016 12A 8A CC CV DC step-down buck charger/LED driver converter module - YouTube Variable Lab Bench Power Supply. | Trybotics CCR-HP - rev0wiki XL4015 |
DC/DC buck converter module redesigning for paralleling with higher current - Electrical Engineering Stack Exchange TOP 5A CC CV LED Drive Lithium charger Power Step-down Module W/ USB Voltmeter | Power Cartel DIY Kit LM2596 Adjustable Voltage Stabilizer Precise Buck Step Down Power Supply Module Board|diy kit|kit diypower module - AliExpress XL4015 DC to DC 1.25 to 32V 5A Buck Converter Lithium Constant Current charger - YouTube diy/ - Do-It-Yourself XL4015 Step-Down DC Module with CV/CC Control Convert a Buck Regulator into a Smart LED Driver, Including Dimming | Analog Devices Onstate #93: XL4015 CC CV DC 5A MPPT solar controller charger buck module testing #2 - YouTube High Efficiency Solar MPPT Battery Charger Using LT8611 and AD5245 | Analog Devices DC to DC buck converter circuit homemade arduino Controlling DC Converter Modules : 5 Steps - Instructables XL4015 datasheet High Efficiency Solar MPPT Battery Charger Using LT8611 and AD5245 | Analog Devices XL6009 LM2577S-ADJ CC/CV SEPIC module (A.K.A. LM2577 CC/CV boost buck converter) | BudgetLightForum.com DC-DC 4-38V 5A XL4015 Step Down Adjustable Power Supply Module LED Lithium CC/CV Power Supply : 6 Steps (with Pictures) - Instructables BX_7853] Bench Power Supply Electronic Schematic Schematic Wiring XL4015 DC-DC / - MicroPi LM2596 DC-DC Buck Converter Adjustable Step-Down Power Supply CC-CV LED Driver MPPT 5A Solar Controller DC-DC Step Down Buck Module, Const. Voltage & Current Converter | 3D CAD Model Library | GrabCAD Development of Super-capacitor Battery Charger System based on Photovoltaic Module for Agricultural Electric Carriers CentIoT - Buck Converter - LM2596S CC CV 3A 7V-35V to: Amazon.in: Electronics LM2596 DC DC Step Down CC CV Power Supply Module LED Driver Battery Charger Adjustable LM2596S Constant Current Voltage good|dc-dc step-down|supply powercc cv - AliExpress infinite store – Infinite Store B3603 DC/DC Buck Converter mini review and how the SET key could be fatal… 5pcs XL4015 5A DC Buck Step Down Voltage Converter Constant Current Po – eElectronicParts Onstate 262:XL4016 12A 8A CC CV DC step-down buck charger/LED driver converter module - YouTube supl2 5A DC-DC adjustable step-down module XL4015 input 8~36V 96% IOT2 | Shopee Indonesia Development of Super-capacitor Battery Charger System based on Photovoltaic Module for Agricultural Electric Carriers best top battery charger boost converter list and get free shipping - mn5ibfm7 Single Supply Circuit Schematic Diagram Diagram Base Website Schematic Diagram - ONTODIAGRAM.ALTJ.FR lm2596 cc cv schematic - STLFinder XL4015 DC to DC 1.25 to 32V 5A Buck Converter Lithium Constant Current charger - YouTube Pin on Electronic 10 Best Fet steppy moter contral images | Electronics circuit, Inverter welding machine, Electronics Onstate #88: XL4016 8A CC CV DC step-down buck charger/LED driver converter module testing. - YouTube 20+ Best ewb1 images in 2020 | electronic circuit projects, electronic schematics, electronics circuit Display Step Down Charge Module 5A CC/CV Adjustable LED Panel Voltmet Ammeter | eBay Power unit - EasyEDA 100+ Best Electronics circuit images in 2020 | electronics circuit, circuit, electronics Buy XL4015 DC-DC 1.5-35V 5A Buck Converter Online In India | Robu.in New XL4015 XL4015E1 IC SMD 5A 32v Step down Variable Switching Regulator di Lapak Marchi Shop | Bukalapak

Website Https Cv Distributor Sembako Murah Wordpress Com

Download Cv Coreldraw